2X系列旋片式真空泵

2X型旋片式真空泵

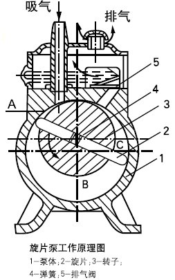
旋片式真空泵的工作原理说明


如图为旋片泵的工作原理示意图,旋片泵主要由定子、转子、旋片、定盖、弹簧等零件组成。其结构是利用偏心地装在定子腔内的转子(转子的外圆与定子的内表面相切,两者之间的间隙非常小)和转子槽内滑动的借助弹簧张力和离心力紧贴在定子内壁的两块旋片,当转子旋转时,始终沿定子的内壁滑动。

  两个旋片把转子、定子内腔和定盖所围成的月牙型空间分隔成A、B、C三个部分,当转子按图示方向旋转时,与吸气口相通的空间A的容积不断地增大,A空间的压强不断的降低,当A空间内的压强低于被抽容器内的压强,根据气体压强平衡的原理,被抽的气体不断地被抽进吸气腔A,此时正处于吸气过程。B腔的空间的容积正逐渐减小,压力不断地增大,此时正处于压缩过程。而与排气口相通的空间C的容积进一步地减小,C空间的压强进一步的升高,当气体的压强大于排气压强时,被压缩的气体推开排气阀,被抽的气体不断地穿过油箱内的油层而排至大气中,在泵的连续运转过程中,不断地进行着吸气、压缩、排气过程,从而达到连续抽气的目的。

  排气阀浸在油里以防止大气流入泵中,油通过泵体上的间隙、油孔及排气阀进入泵腔,使泵腔内所有运动的表面被油覆盖,形成了吸气腔与排气腔的密封,同时油还充满了一切有害空间,以消除它们对极限真空的影响。

  双级旋片式真空泵由两个工作室组成,两室前后串联,同向等速旋转,Ⅰ室是低真空级,Ⅱ室是高真空级,被抽气体由进气口进入Ⅱ室,当进入的气体压力较高时,气体经Ⅱ室压缩,压强急速增大,被压缩的气体不仅从排气阀排出,而且经过中壁通道,进入Ⅰ室,在Ⅰ室被压缩,从低级排气阀排出;当进入Ⅱ室的气体压力较低时,虽经Ⅱ室的压缩,也推不开排气阀排出,气体全部经中壁通道进入Ⅰ室,经Ⅰ室的继续压缩,由低级排气阀排除,因此双级旋片式真空泵比单级旋片式真空泵的极限真空高。


使用范围

2X型泵是用来对密封容器抽除气体获得真空的基本设备之一。可单独使用,也可作为增压泵、扩散泵、分子泵等的前级泵。可用于真空冶炼、真空焊接,真空浸渍、镀膜、真空干燥以及化工制药,电真空器件等工业的真空作业。

注意事项

1、泵可在环境温度5~4 0℃范围内和进口压强小于1330Pa的条件下,允许长期连续工作。

2、泵不适用于抽除含氧过高、有毒的、有爆炸性的,对金属有腐蚀作用的、对泵油起化学反应的,以及含有颗粒尘埃的气体,也不适用于把气体从一个容器输送到另一容器,作输送泵用。

3、泵在大气压到6000P a的进口压力下的连续工作时间不超过3分钟,以免喷油或润滑不良引起泵损坏。

性能及规格

型号
性能
2X-4A 2X-8A 2X-8 2X-15 2X-30A 2X-70A
抽气速率(L/S) 4 8 8 15 30 70
极限压力(≤Pa) ≤6×10-2
电机功率(kw) 0.55 1.1 1.1 2.2 3 5.5
温升(℃) ≤40℃
噪音dB(A) ≤75 ≤78 ≤78 ≤80 ≤82 ≤86
进气口径(mm) Φ25 Φ25 Φ40 Φ40 Φ65 Φ80
泵转速(rpm) 450 550 320 320 450 420
用油量(L) 0.7 0.9 2 2.8 2 4.2
外形尺寸(cm) 55×34×41 55×43×44 79×43×54 79×53×54 78×50×56 91×65×70
重量(Kg) 54 70 135 196 240 428


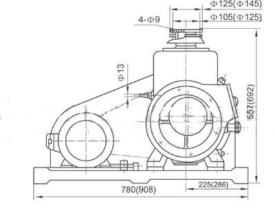
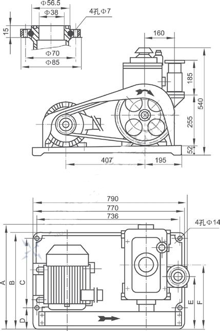
安装尺寸图

2X-4A、8A型


型号 A B C D E 4-Φ
2X-4A 410 340 200 550 480 Φ10
2X-8A 440 430 200 550 480 Φ10

2X-8、15型

型号 A B C D E F
2X-8 431 384 260 104 215 274
2X-15 531 484 356 110 261 324

安装尺寸图


安装尺寸图

2X-30A、70A型



特性曲线



公司简介
关于我们
车间设备
荣誉资质
产品展示
2SK、2YK系列双级液环式真空泵
SK、YK系列单级液环式真空泵
SZ系列单级水环式真空泵
ZJ系列罗茨真空泵
JZJS系列罗茨-水环泵真空泵机组
WLW立式无油往复式真空泵
JZJW罗茨往复泵真空机组
2X系列旋片式真空泵
JZJX罗茨旋片真空机组
真空系统
2BE系列
2BV系列
XD系列
新闻动态
公司新闻
行业新闻
产品知识
服务支持
客户反馈
联系我们
无锡市邦杰机械设备厂
销售热线:13806197349
电话:0510-83953592 83950723
地址:无锡市惠山区阳山镇第二工业园
传真:0510-83954168
邮箱:sales@wxbjvp.com
网址:www.wxbjvp.com
媒体关注

扫描二维码关注我们